Wine Cellar


Description

Wine cellar control and monitor - Enterance, temperature, humidity, light and flood alerts, with light and cabinets locks control.

Monitor your wine cellar temprature and humidity, get temprature alerts when it gets too warm or too cold or if humidity changes to above or below your defined thresholds. Includes a main enviromental sensor and 3 (or more) additional temprature sensors to be placed around the room or inside the wine cabinets.
Get email and sms alerts when the door is opened and people go into your wine cellar, or if it was left open for too long.
Control the cellar lights and cabinet lights from the App, automatically open them when the door is opened, or when the cabinets locks are activated.
Automaticaly open the special wine cabinets with electric locks.
Get flood alerts (it's a cellar afterall...) and burglars alert when away via email and SMS


Components

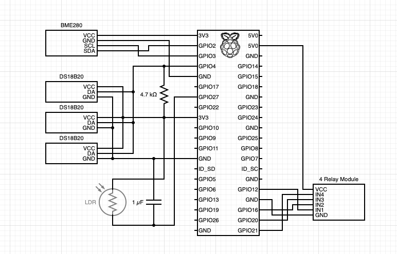
Raspberry Pi 
BMP280 - I2C Temperature, Humidity  
and Atmospheric Pressure
LDR (Light Dependent Resistor) + 1µF (105) capacitor
5V Relay Module - 4 Channel 220v/110v
DS18B20 - Temperature sensors (*3) + 4.7KΩ resistor
Optional: LED & 330 Ω resistor
app


Diagram

diagram


Configuration

app.title Wine Cellar
app.icon wine-bottle
app.color #8C001A
agent.status.gpio 17
agent.sensors.rate 10
sensor1.sensor I2C
sensor2.sensor DS18B20 4
sensor3.sensor LDR 27
lights1.label Main Lights
lights1.type relay 12 
lights1.icon lightbulb
lights2.label Cabinets Lights
lights2.type relay 16 
lights2.icon wine-bottle
relay1.label Premium Wine Cabinet 
relay1.type touch 20 
relay1.icon lock
relay1.latchtime 7
relay1.email
relay2.label Premium Small Cabinet 
relay2.type touch 21 
relay2.icon lock
relay2.email
io1.label Door
io1.type smart 5
io1.ctrl lights2 1 0 5
io2.label Flood Sensor
io2.type guard 6
io2.sms FLOOD ALARM in Wine Cellar !!!
 





Copyright 2022 ctrlKit. All rights reserved.